首页 技术动态

射频收发仪丨解锁多卫星信号同步采集的“核心引擎”

2025-08-23 05:13:30 


引言

随着卫星导航系统的广泛应用,对多卫星信号的高精度同步采集与连续记录需求日益迫切。在卫星通信、航空航海导航等场景中,精确的卫星信号采集与分析对于科研、训练、监测、保障等任务至关重要。坤驰科技基于QT12509射频收发仪构建的四星同步采集流盘系统为上述场景提供了一个理想工具。

1


系统如何实现“多星同步,连续记录”?

1.射频信号收发射频信号收发

核心搭载两块坤驰科技QT12509射频收发仪,每块板卡提供2个射频接收通道和2个射频发射通道,采样率245.76MS/s,精度可达16bit。频率覆盖范围75MHz~6GHz,每通道瞬时带宽200MHz,确保完整捕获卫星信号细节。支持内部参考时钟和外部参考时钟30.72MHz,以及TDD应用模式(同一时刻接收和发射频点相同),实现高效频谱利用。同时,支持信号数据流盘模式,为连续记录奠定基础。

同步技术: 采用外触发和同源外时钟技术,确保两块板卡实现极高精度同步采集,满足多卫星信号严格的同步性要求。

2

2.强劲数据处理平台

基于GPU计算平台,为实时信号处理提供澎湃算力。

通过PCIe高速接口,数据从射频收发仪高速传输至处理中心。

3.智能实时处理与分析

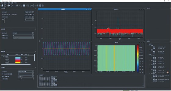
利用QT SDR软件平台进行信号的实时解调、分析与可视化,操作界面直观友好,用户可实时掌控信号状态。



3



4.可靠流盘存储


采用高性能RAID磁盘阵列,实现4通道数据连续、稳定写入硬盘。连续存储速率高达5GB/s,存储容量4TB~128TB可选,可按需灵活扩展,轻松应对长时间、大数据量的采集任务。



五大核心优势,铸就卓越性能


1毫厘不差的同步精度:外触发+同源时钟技术,实现多通道超高精度同步采集,为精准定位与分析奠基

2明察秋毫的信号捕获:200MHz瞬时带宽完整捕捉信号特征,细节尽收眼底。

3源源不断的可靠存储:4通道连续流盘,海量数据安心存,科研实验、长时任务无后顾之忧。

4一目了然的直观操作:友好的图形化操作界面,信号波形、分析结果清晰呈现,控制便捷。

5即开即用的专业设备:机架式、桌面式、便携式多种系统形态部署灵活,满足严苛环境需求。


1





结论

本卫星信号同步采集与流盘系统成功实现了在同一台计算机内两块QT12509 射频收发仪的同步采集与连续流盘存储功能。经验证,系统满足瞬时带宽200MHz、4 通道连续流盘等关键性能指标,目前,该系统已在军事装备、科研等领域得到广泛应用。



二维码

扫描识别二维码,关注我们



网友热评