采集系统规格:
1、5GSPS10bit高速数据采集板
基于CompactPCIExpress协议的超高速数据采集板,具有单路/双路/四路并行数据采集、存储处理和数据回放等功能。该板的采样率高达5Gsps,前端模拟带宽可高达3GHz,实时存储容量可达32GB。

主要技术指标
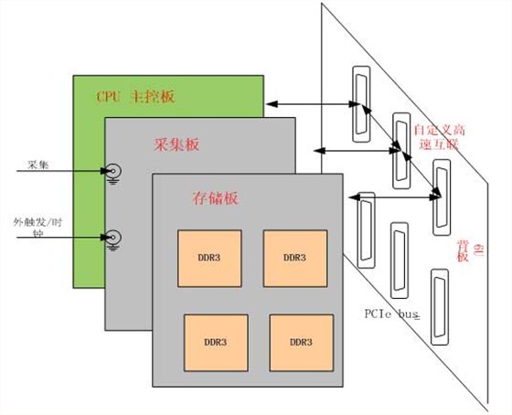
2、存储板:
基于CPCIexpress接口
专用高速IO连接到采集板
板载32GBDDR3内存
数采模块原理图:

整机外观如下:

该采集以及存储系统的组成模块如下图所示:


电话咨询
产品中心
在线留言
关于坤驰 

