
系统规格:
系统采用紧凑的PCIe架构,包括如下几个部分:
1.PCIE DAC直接RF频率合成信号产生模块QT2135+QTF-257B:
l2通道14bit 5.6GSPS同步采集模块。
l50欧姆AC、DC耦合,输出满幅度500mVpp。
l支持IQ双通道基带信号输出,模拟输出带宽DC~1GHz。
2.直接RF频率合成信号产生模块QTF-6120
l宽带IQ信号输入
l支持基带输入带宽1GHz
lRF混频模式输出
l带宽2GHz~4.2GHz
l自带LO功能
3.高速存储板QT-C3000:
l500GB 存储容量。
l高速FLASH SSD阵列,支持大2GB/s的连续读写速率。
lPCIex8接口,支持DMA传输。
l通过高速PCIE总线DA板连接,传输带宽大于2GB/s。
4.时钟模块SC5506A:
l直接驱动射频DAC转换时钟。
l输出频率100MHz~6GHz。
l相位噪声<-117dBc/Hz at 10KHz。
l时钟调节精度1Hz。
l输出功率:大13dBm。
大容量直接RF频率合成信号产生系统实现方案:

整个系统由高速DAC卡产生IQ基带信号、带LO功能的直接IQ调制发生模块输出RF信号、高速大容量SSD存储卡用于存储基带信号数据以及PCe工作站组成。

宽带基带信号发生高速DAC卡
DAC模块外观如下:

DAC模块原理和性能
基于PCIe的DAC回放卡整体原理框图

DAC工作原理图
直接RF频率合成DAC支持基带模式和混合模式:
l基带模式,直接RF高支持LF~1GHz带宽,大DAC更新率为2.85Gsps,可采用插值2倍输出,及数字时钟更新率高到5.7Gsps,减小1G内的带宽sinc衰减;
并支持两通道同步输出基带IQ信号。
基带模式下的带宽测试结果:

基带模式下的SFDR测试结果:

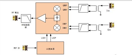
直接IQ调制模块

IQ混频器原理框图

·
混频模式下宽带正交调制器性能指标:
lLO输入大频率:6GHz。
l基带IQ输入带宽BW:DC~1GHz。
l谐波失真:2次谐波小于-60dBc;3次谐波小于-59dBc;
RF out在3300MHz。
LO输出指标
l输出频率100MHz~6GHz。
l相位噪声<-117dBc/Hz at10KHz,-140dBc/Hz at 1MHz,
l时钟调节精度1Hz。
l输出功率:10dBm大。

电话咨询
产品中心
在线留言
关于坤驰 

