技术指标:
-
超高速PXIex4 Gen2接口
-
1通道,5GSS/s采样率;2通道,2.5GSS/s采样率;4通道,1.25GSS/s采样率;
-
每通道独立ADC和放大器
-
4个输入范围:±200mV到±2.5V
-
4G采样(4GB)板载存储器
-
窗口、Re-arm、或/与触发
-
每个系统可以同步8块数据采集卡
-
触发特征:单发、流模式、多倍记录、门采样、ABA模式、时间戳
-
可工作在×4 PXIe插槽
-
与PXI软件兼容
-
高达1.7GB/s的持续流模式
-
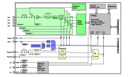
关于M4x.22原理框图:
关于M4x系列软件:
关于M4x系列板卡:
M4x.22xx-x4系列数字化仪拥有PXIe×4Gen2接口,支持非常的数据流模式。拥有独立ADC的双通道或者四通道提供8bit分辨率,将满足高质量的信号采集需求。该板卡采用了新的生产技术,它的软件架构依然是Spectrum板卡的经典软件Sbench驱动。所以一块已经问世10年的200KS/s多通道PCIe采集卡和5GS/s单通道PXIe高精度数字化仪可以采用同样的软件进行操作。
产品选型:
板卡模式
ABA模式
可选的ABA模式结合了慢速连续的数据记录和快速采集事件。ABA模式工作起来就像一个缓慢的数据记录器结合快速数字化仪。触发事件的确切位置会在一个额外的内存中存储为时间戳。
段平均
段平均模块提高了嘈杂的重复信号的保真度。带有很小空载时间的多个重复采集数据会被积累和平均。通过平均处理可降低随机噪声,提高重复信号的可见性。
循环缓冲区模式
循环缓冲区模式是所有采集板的标准模式。检测到触发事件后,数据写入板卡的的循环内存。事后posttrigger值记录下来。因为数据连续记录到一个循环缓冲区,使得触发事件前的数据也能采集到,即:Pretrigger=内存大小- Posttrigger。
FIFO选项
FIFO模式专门用在测量板和电脑内存之间或测量版与硬盘之间的连续数据传输(高245MB/s在PCI-X槽,125MB/s在PCI插槽和160MB/s在PCIe插槽)。数据流的控制是由带有中断请求的驱动程序自动完成。完整的板载内存用于缓冲数据,使连续数据流非常可靠。
分块统计
分块统计和峰值检测模块在硬件内实现了一个广泛使用的数据分析和还原技术。扫描每一块的小和大峰值,将包括小、大、平均、时间戳和位置信息存储在内存中。
时钟
外部时钟
使用一个专用连接器可以从外部系统输入采样时钟。也可输出内部采样时钟,使得外部设备同步到这个时钟。
高精度PLL
板卡内部采样时钟利用高精度锁相环生成。这个强大的设备通过精细的步长调整选择采样率,可以完美适应到不同的测量任务。市场上大多数其他板片只允许设置的固定采样率如100MS/s,50MS/s,25MS/s,10MS/s,不能设置这些采样率之间的任何值。
参考时钟
使用一个精准的外部参考时钟(通常10MHz)是高质量的测量工具与外部设备(如信号来源)同步工作的保证。也能提高采样时钟的质量。驱动程序自动基于参考时钟的所需采样时钟。
AD输入
可选AC/DC耦合输入
每个模拟通道都有软件操作的AC/DC耦合选项。当使用直流耦合,信号的所有频率都包括了直流偏置。选择AC耦合,只会采集信号的超过定义小带宽的频率部分。
同步采样
所有的Spectrum采集卡基于完全的同步设计。每个通道都有自己的独立的输入放大器以及一个独立的ADC,允许程序对所有的输入通道的进行独立的设置。
板上校准
板上校准可以在用户请求后运行,并用内部专用的高精度校准源校准放大器。然后校准数据永久保存在板上EEPROM,并在进一步采集时自动使用。
可选输入路径
每个模拟通道用户可以在两个模拟输入路径选择,同时提供输入范围内高的灵活性。“缓冲”路径1M欧姆匹配阻抗允许标准的示波器探头与采集卡连接。“HF”路径有50欧姆的匹配阻抗,可提供高的带宽和好的信号完整性。
可选低通滤波
每个模拟通道都有选择限制输入带宽的低通滤波软件选项。减少模拟输入带宽的结果是降低总噪声,对低电压输入信号特别有效。
多用途I/O
所有M4x板卡提供三个通用的多用途I/O线,可分别可编程为输入或输出。用作输出时,这些线可输出卡状态信号如trigger-armed或将触发信号输出去同步外部设备。
软件
第三方驱动程序
Spectrum驱动支持很多的第三方产品,可选LabVIEW,MATLAB,LabWindows/CVI,IVI.所有驱动程序附带例子和详细的文档。

程序实例
Microsoft Visual C++, Borland C++ Builder, Gnu C++ (CygWin), Borland Delphi, Microsoft Visual Basic, C#, J#, VB.Net, Python,LabWindows/CVI的程序实例都包含在交付的驱动程序包中,由于驱动接口简单,可快速集成到其他编程语言或特殊测量软件。

Linux
所有交付的卡都完全支持Linux。预编译的内核模块包括常见的分布如RedHat,Fedora,Suse,Ubuntu或Debian。支持Linux的SMP系统,32位和64位系统,Gnu c++的通用的编程例子以及可获得自行编译的驱动源。

远程服务(选项)
使用远程服务,可使安装在一台PC的板卡与其他的PC通过当地网络(LAN)相连接,与digitizerNETBOX的远程服务是一样的。远程服务器选项能被远程系统中任何一块Spectrum板卡的软件许可激活。
Sbench6
Sbench6是一款强大的直观交互式软件。除了可迅速开始测量任务,无需编程,SBench6在一个易于使用的界面结合了硬件的设置,数据显示,示波器,瞬态记录仪,波形发生器,分析功能,导入和导出功能。
Windows
板卡交付时,带有标准的驱动程序包含,并可以免费从我们的主页得到新版本的驱动程序。典型的文本编程没有额外的SDK费用。所有的板卡交付时都带有WindowsXP,Windows Vista,Windows7,Windows8和Windows10,all32bitand64bit对应的驱动文件.

M4i.44xx-PCIe总线直流耦合采集卡
ADQ14-PCIe总线直流耦合采集卡
ADQ7DC-PCIe直流耦合采集卡
ADQ12DC-PCIe总线直流耦合采集卡
M5i.33xx-x16系列-PCIe总线直流耦合采集卡
QT12126-宽带中频采集卡
QT1149-PCIe总线直流耦合采集卡
QT12135-宽带中频采集卡
QT7041B-6U VPX FPGA 载板
电话咨询
产品中心
在线留言
关于坤驰 

