8通道数据采集回放系统
一、方案
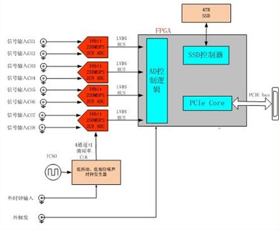
采集系统由工控计算机、模数AD转换系统QT1138,数模DA转换系统QT1238、SSD存储器,上变频等模块组成;各个模块集成在一台工控机箱中。其集成工作原理见下图:

1.1PCIE采集卡QT1138规格
l支持8通道同步采集。16bit转换精度。
l模拟输入带宽120MHz
l采用250MSPS单芯片双通道ADC。
l50欧姆AC耦合,输入满幅度2Vpp。支持DC藕合方式;支持高频脉冲信号输入。
lPCIex8Gen2数据传输接口,支持DMA传输,连续传输率2.8GB/s。
lFPGA支持用户自定义逻辑开发。
l板载高稳定度采集时钟发生器,支持外时钟和外触发同步输入。
l输入中频:常用频率为46MHz±10.23MHz
l输入中频信号功率:-60dBm~10dBm;
l通道一致性:≤50ps。
1.2PCIEDA回放卡QT1238规格
l大支持8通道同步信号产生,可配置
l16bit转换精度。
l高250MSPS数据更新率,可配置。
l板载高稳定度采集时钟发生器,支持外时钟和外触发同步输入。
lPCIex8Gen2数据传输接口,支持DMA传输,连续传输率2.6GB/s。
l回放频率经上变频可达1.3G/s,大于BDSB3的1268.52M。
lFPGA支持用户自定义逻辑开发。
l模拟输出重构滤波器可配置,可以工作在、第二以及第三奈奎斯特区。
l通道一致性:±3度
l链路增益:-40dB~-20dB;
l幅频特性:
-3dB带宽:≥20.46MHz,
-40dB带宽:≤50MHz;
l带外杂散抑制:≥40dBc;
l输出本振泄露功率:≤-65dBm;
l带内平坦度:≤±1.5dB;
l输出驻波:≤2.0。
1.3SSD固态盘
容量:4TBytes;
存储速率:≥1600MB/s(保证大采集速率下无丢数)
1.4上变频模块
可经过上变频到BDSB3的1268.52M,LO:LocalOscillator本机振荡器

二、系统情况
2.1采集/回放系统:

2.2DA回放板系统结构

采集回放卡包括如下特性:
1.8通道16bit250MSPS回放,50欧姆直流/交流耦合。2Vpp输出。
2.低抖动、低相噪时钟发生器,时钟可设置。
3.支持外时钟和外触发接口,可以多块卡组成多通道同步工做模式。

DAC输出电路如上图,重构滤波器带宽可以配置。
2.3AD采集板系统结构

采集卡包括如下特性:
1.8通道16bit250MSPS采集,50欧姆交流耦合,支持2Vpp输入。
2.支持PCIE2.0x8接口,DMA传输速度2.8GB/s。
3.低抖动、低相噪时钟发生器,时钟可设置。
4.支持外时钟和外触发接口,可以多块卡组成多通道同步工做模式。

ADC输入前端如上图,带通滤波器中心频率和带宽可以配置。
2.4采集/回放板外观


2.5高速存储系统

该高速数据存储卡采用PCIE2.0×8接口,板载4TB高速flash。功耗待机14.5W,读写16W,板载四
SandForceSF-2582主控制器,持续读写速度高均为2.0GB/s,随机写入性
8KB160000IOPS,4KB2500000IOPS,大IOPS260000。支持TRIM/SCSIunmap
S.M.A.R.T.及企业级属性,128/256-bitAES加密,ECC错误校验,支持掉电保护和数据写入保
(DataWriteAssurance)技术。
系统配套软件
系统软件包括应用软件,二次开发API函数,以及FPGA开发环境三部分。
1.应用软件,具有虚拟示波器功能,方便设置硬件,读取/保存数据以及波形显示/频谱分析功能。
其功能和界面如下所示:

1.二次开发API函数:
我们提供丰富的接口函数和系统主要功能的例程,支持C/C++,labview的二次程序开发。


电话咨询
产品中心
在线留言
关于坤驰 

