热搜关键词: PCIe高速数据采集卡RFSOC高速数据采集软件无线电平台VPX高速数据采集卡高速信号采集卡PCIe数据采集数字信号处理
坤驰科技RF SoC系列产品,以RF SoC芯片为核心,集射频ADC、DAC、ARM、FPGA于一体,该系列产品支持高性能射频信号收发,频率范围覆盖30M~6GHz,涵盖PCIe服务器型、桌面型/分布式、6U VPX插卡型等多种形态。
RF SoC系列产品凭借高集成度、多通道同步、高速采样、低延迟等核心优势,广泛应用于无线通信、国防军工、测试测量、汽车电子、工业物联网、航天科研等对带宽与实时性要求极高的场景。
产品特性
1. 高度集成化设计
RF SoC系列产品集成射频信号采集与处理功能于一体,支持射频信号直接采集、处理,并将处理后的信号输出至数字信号处理单元。单芯片支持8收8发,无需外部其他组件,即可实现硬件、软件灵活组合,以构建完整无线电系统。
2.高性能、高灵敏度
· 支持30MHz~6GHz全频段射频信号收发,适配多场景需求;
· 支持5GS/s采集和9.85GS/s播放,分辨率14bit;
· 支持接收并处理微弱射频信号。
3. 多通道同步能力
可同步多个RF SoC设备以拓展通道数量,如32通道、64通道;单板ADC相位一致性小于10ps,单板DAC相位一致性小于10°。

4. 可拓展NCO调频功能
NCO的频率与相位可调能力,让RF SoC摆脱了模拟射频电路的限制,实现了高精度、快响应、多通道相干、全软件定义的射频收发,是相控阵、MIMO、捷变雷达、软件无线电、电子战等系统的关键基础能力。
产品概述
硬件接口支持

软件支持
1、多平台操作系统支持
·Windows操作系统:全面兼容Windows10、Windows11等主流操作系统版本;
·Linux操作系统:支持Ubuntu、CentOS、Redhat等主流发行版定制开发;
·国产化适配:专为麒麟操作系统提供定制化开发支持。
2、多语言开发生态
·具备C/C++开发包,提供二次开发接口;
·可选多种语言定制开发,如Python、C#、MATLAB、LabVIEW。
3、上位机支持
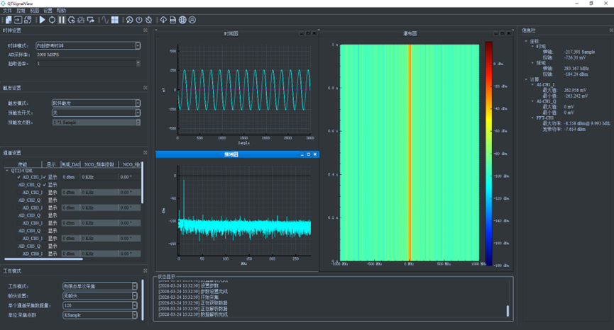
坤驰科技自主研发的QT SDR是一款功能强大、直观的交互式测量软件,可轻松控制数字化仪;运行该软件即可开始测量,无需编程。QT SDR集成硬件设置、数据显示、瞬态记录、存储数据和控制指令下发等功能,可在统一界面完成上述功能,实现数据的采集、存储与分析。

应用场景
坤驰科技RF SoC高性能射频收发板卡因高集成、高精度、高灵活的产品特性,可深度适配多个技术领域的硬件需求,为各领域设备研发与系统搭建提供核心硬件支撑,典型应用场景包括:
1、5G 通信系统
依托多通道同步采集、实时信号处理的核心能力,其低延迟特性保障通信信号的高效传输,同时集成化设计大幅降低基站设备体积与整体系统功耗,适配5G通信设备的小型化、低功耗部署需求。
2、雷达与电子战领域
利用射频直接采样技术简化硬件设计,搭配低时延收发特性,提升信号接收灵敏度及系统抗干扰能力,支持L波段采样及部分其他波段如S/C波段直采;满足雷达与电子战领域的高规格要求。
3、软件定义无线电(SDR)
RF SoC简化了电路板设计,降低了功耗,减少了延迟,提高了信号完整性,其射频直采架构、高集成化设计、多通道同步能力,使得其充分应用在通信、宽频段频谱监测等领域,是构建灵活、高性能SDR的理想平台。