热搜关键词: PCIe高速数据采集卡RFSOC高速数据采集软件无线电平台VPX高速数据采集卡高速信号采集卡PCIe数据采集数字信号处理
QT1146
直流耦合高速数字化仪
1GS/s采样率 14bit分辨率 1/2/4通道同步采集

QT1146是坤驰科技自主研发的一款高采样率(1GS/s)与高分辨率(14bit)的高速数字化仪/高速数据采集卡。集成直流耦合程控放大器,支持双极性宽带信号输入,具备高动态范围采集能力。该数字化仪采用流式数据传输模式、高速大容量数据缓存技术,并提供多种专用固件版本以满足不同应用场景下的精准需求。QT1146能够精准捕捉高速瞬态信号,可应用于激光雷达、质谱检测、光纤传感、粒子物理、电力局放、光电测量等领域。
核心优势功能
1.高速、高精度与多通道采集
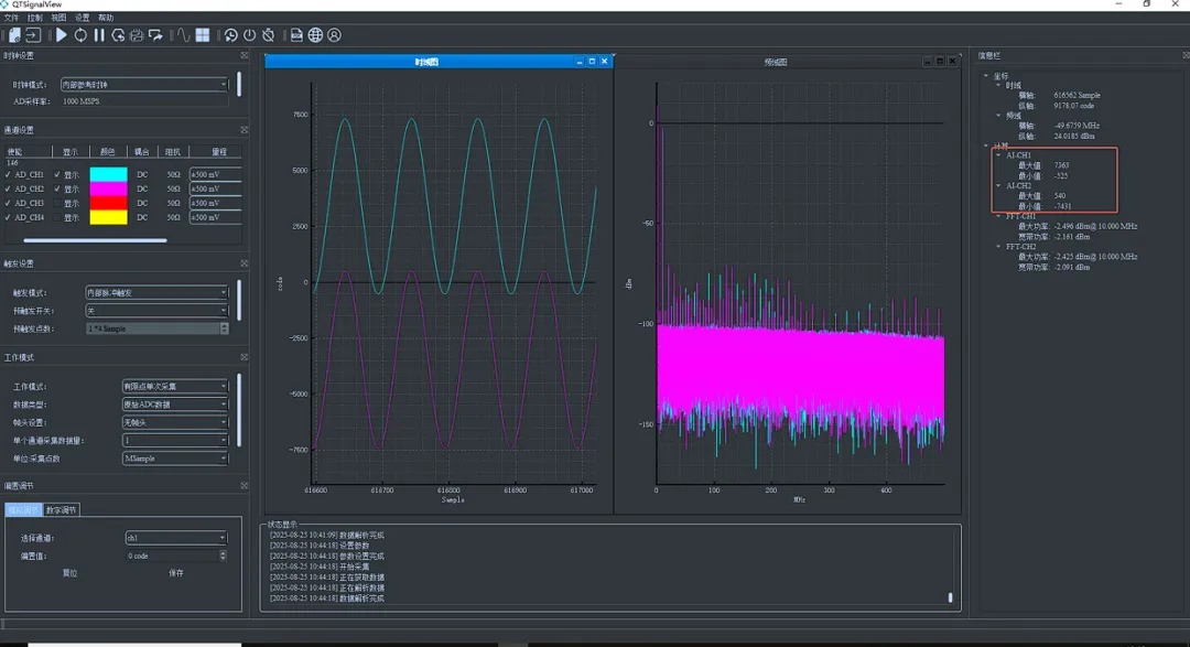
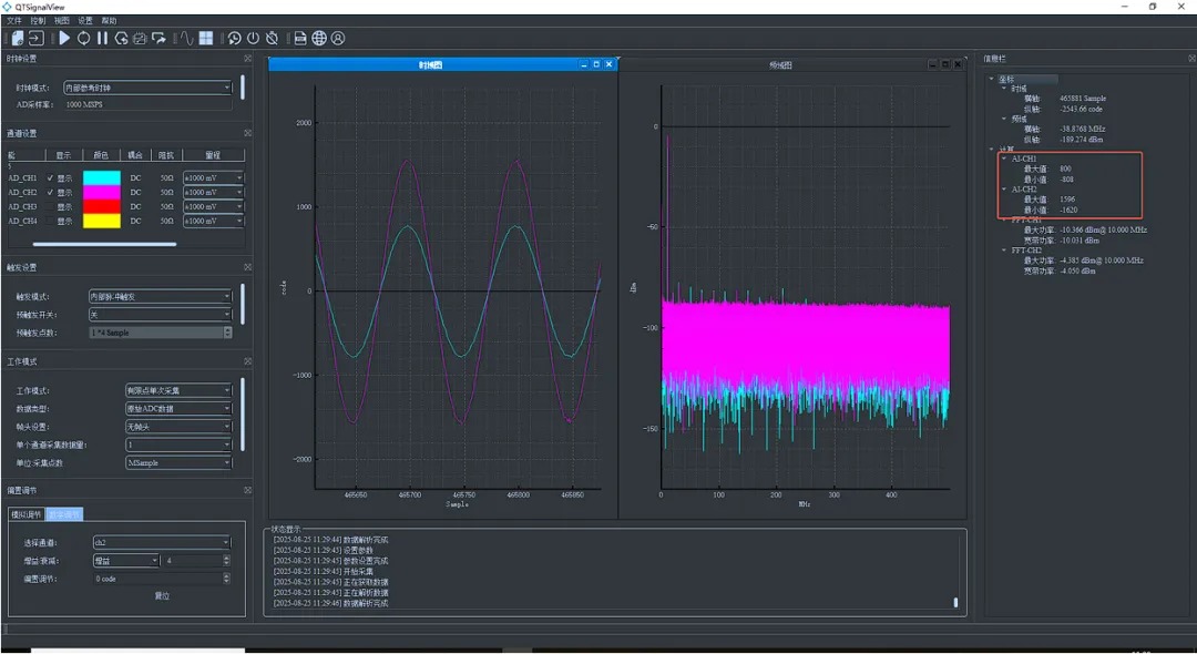
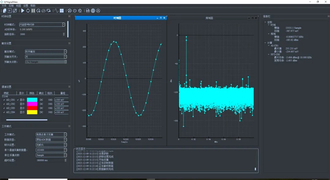
· 采样率高达1GS/s,并提供14bit分辨率;
· 提供快速的PCI Express 3.0 x8数据传输接口,可实现5.4GB/s的传输速率;
· 支持选择1/2/4通道同步采样,用户可通过上位机软件自定义通道组合。

2. 硬核采样性能指标
· 高有效位数(ENOB):ENOB可达9.9 bit,确保采集到的波形形状、细节与原始信号高度一致;
· 低噪声:RMS噪声小于1 mV,能够清晰分辨出被噪声掩盖的微小信号。

3. 直流基线可调、多档位程控选择
·直流基线调节:支持模拟偏置调节、数字偏置调节,可灵活调整信号的直流基准电平;
·模拟前端电路具备程控衰减器与放大器,支持程控切换多档位量程,同时支持数字增益调节,适配不同强度信号的采集。

偏置调节

数字增益调节
4. 采样滑动抽取
·采样率最大支持1GS/s,支持多倍速率抽取,通过滑动抽取进行降采样,以更低的数据量有效节约传输带宽,适用于高数据量场景下的数据压缩和下采样。

原始倍率(1GS/s采样率)

4倍速率抽取(250MS/s采样率)

5000倍速率抽取(0.2MS/s采样率)
5. 灵活的触发与采集模式
· 触发模式:软件触发、内部脉冲触发、外部触发、通道触发;
· 采集模式:有限点单次采集、有限点多次采集、无限点多次采集、无限点单次采集。
6. 支持多个用户自定义拓展IO
· 具备可扩展GPIO,支持连接多种传感器及其他外围设备。

GPIO脉冲与板卡采集的同步效果

7. 定制化算法
· 支持累加/平均、峰值检测、超长预触发等定制算法。
8.软件支持与开发生态
·集成数据显示、瞬态记录、存储数据和控制指令下发等功能;
·提供C/C++, Python, C#, MATLAB, LabVIEW等多种语言的开发包与二次开发接口;
·驱动支持:Windows、Linux。

QT Signal View
产品规格

(点击可放大↑)

(点击可放大↑)

激光雷达

光纤传感

局部放电

超声扫描

质谱检测
解决方案
1.光纤传感数据采集解决方案
QT1146 DAS产品帮助精准捕获与解析光纤中因温度、应变等物理量变化产生的微弱后向散射光信号,为分布式温度/声波/振动等传感系统提供关键测量信息。同时基于累加平均算法通过对多次触发的信号进行分段累加与平均处理,有效抑制随机噪声,显著提升信号信噪比,从而在长距离监测中仍能保持高空间分辨率与高灵敏度,实现更稳定、可靠的实时监测。
2.质谱分析检测数据采集解决方案
QT1146 MS质谱仪具备高灵敏度、高分辨率及快速分析的优异特性,能够精准捕获离子信息。内置的累加平均算法,通过对信号进行多次采集与实时叠加平均,有效抑制随机噪声,显著提升信噪比,从而有助于清晰识别特征峰的位置与相对强度,简化数据分析流程,更精准地解析物质的微观组成与结构信息。
3.超声声场扫描数据采集解决方案
QT1146产品利用灵活的触发模式协助控制电机进行三轴扫描时同步采集,同时支持三维数据分析,精确测量超声波的传播强度、波形和焦点位置等参数,广泛应用于医学成像、工业检测、材料研究等领域。